Quiet Crane Slew Ring Excavator Bearing 4216-44019-0 4216-48018-0
|
...Size(d*D*B) Standard size Type Excavator bearing Precision P0/P6/P5/P4 Feature Less energy consumption Material GCR15 After-sales Service Online Support Professional Service Stock Extensive Product Description An excavator bearing is a specialized type of...
ZhongHong bearing Co., LTD.
|
9T8346 Pump Group Piston Cylinder Liner 188-4216 Engine 9T-8346 Ring 1884216 Piston
|
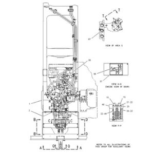
9T8346 PUMP GP-PISTON Caterpillar parts D8N, D8R, D8R Product Description CA9T8346 9T-8346 9T8346 Caterpillar SIS D8R Custom Parts Manual Track-Type Tractor 7XM00001-UP (MACHINE) POWERED BY 3406 Engine » 9T-8346 PUMP GP-PISTON TRACK-TYPE TRACTOR D8N D8R ......
Guangzhou Tianhe District Zhuji Fengtu Mechanical Equipment Sales Department
|
Submit your “excavator bearing 4216 44019 0” inquiry in a minute :
