Motors PLC SCR Module , AC Solenoid Valve Driver Board SCR Zero Trigger Solid State
|
Motors PLC SCR Module , AC Solenoid Valve Driver Board SCR Zero Trigger Solid State In PLC automatic control, or in the numerical control system, there are often alternating loads, where the switching frequency is relatively high, the traditional method......
Wenzhou Ginri Power Automation Co., Ltd.
|
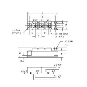
CM4308A2 CM4308A2 Dual SCR POW-R-BLOK™ Modules 25 Amperes/800 Volts MITSUBISHI igbt power module
|
...Dual SCR POW-R-BLOK™ Modules 25 Amperes/800 Volts. . Part NO: CM4308A2 Brand: MITSUBISHI Mounting Type: Screws Date Code: 02+ Quality Warranty: 3 Months Overview We specialize in high power and power conversion modules of famous brands Categories include: Darlington Schottky, rectifier intelligent, IGBT, IPM, GTR, DC-DC, AC-DC rectifier and power supply and other modules......
Mega Source Elec.Limited
|
TD570N16KOF Automotive IGBT Modules SCR Module 1.6kV 900A Thyristor SCR Modules
|
TD570N16KOF Automotive IGBT Modules SCR Module 1.6kV 900A Thyristor SCR Modules [MJD Advantage] + 15 years experience for electronic components + Secure Ordering + Excellent Feedback + Delivery Date Guaranteed + 100% ......
ShenZhen Mingjiada Electronics Co.,Ltd.
|
Sony IMX307 Dual Camera Module 3D Stereo Camera Module 1/2.8"
|
...Dual Lens USB Camera Module Specificaitons Model Model SF2A418-D Dual Camera Module Sensor Sony IMX307 Camera Pixel 2mp Colour Dual Camera Module Module Size 200mm×25mm(±1mm) Sensor Size 1/2.8"inch Pixel Size 2.9μmX2.9μm Temperature Operation -20°C to 70°C Object Distance 1CM~∞ Interface USB3.0 Focus Mode Adjustable, Manual Focus, Fixed Focus Description This camera module......
Guangzhou Sincere Information Technology Ltd.
|
TZ310N26KS01 SCR MODULE 2.6 KV 700 A SINGLE CHASSIS MOUNT MODULE
|
...SCR Module 2.6 kV 700 A Single Chassis Mount Module Manufacturer: Infineon Product Category: Thyristor Modules RoHS: Details Brand: Infineon Technologies Configuration: Single Mounting Style: Screw Mount / Chassis Mount Output Current: 700 A Package / Case: TZ310 Packaging: Tray Product: Thyristor Modules Product Type: Thyristor Modules Subcategory: Discrete and Power Modules Technology: Si Type: Rectifier Diode Module......
Wisdtech Technology Co.,Limited
|
MIPI CSI2 Flexible FPC Dual Camera Module 1MP 720P 650nm 850nm Filters
|
MIPI CSI2 Flexible FPC Dual Camera Module 1MP 720P 650nm 850nm Filters Dual Lens MIPI CSI2 Interface Flexible FPC 1MP 720P Camera Module With Omnivision OV9732 CMOS Sensor This is our newly developed MIPI binocular camera module. It uses the OV9732 chip......
Shenzhen Sinoseen Technology Co., Ltd
|
Light Weight DC Contactor , Thyristor Module 400a 1400v Scr Module
|
Light Weight DC Contactor , Thyristor Module 400a 1400v Scr Module Thyristor module MTC400-14 400A 1400V SCR module Chip and backplane electrical insulation, excellent temperature characteristics and power cycling capability, small size and light weight. ......
Hontai Machinery and equipment (HK) Co. ltd
|
Dual IGBT Modules Infineon Technologies Use Standard Housing High Reliability
|
Infineon Technologies The half-bridge 34 mm 1200 V, 150 A dual IGBT modules with fast TRENCHSTOP IGBT4 1200 V dual IGBT module The half-bridge 34 mm 1200 V, 150 A dual IGBT modules with fast TRENCHSTOP™ IGBT4 and optimized Emitter Controlled diode is ......
Shenzhen Hongxinwei Technology Co., Ltd
|
EMEA 3G HSDPA Dual Band Module MC8092 Mini Express Card With GPS
|
...Dual Band Module MC8092 Mini Express Card with GPS Introduction: Sierra Wireless MC8092 is a 3G Module. It's size is 30x51x4.5 mm. This module supports HSDPA,EDGE,GPRS,GSM technologies. MC8092 certifications are CE, GCF MC8092 is a 3G HSPA+ Dual band module......
TOP Electronic Industry Co., Ltd.
|
Redundant Net Panel Interface Module / Dual PLC Module TC-CCR014 / TK-CRR014
|
... and used one with six months warranty Weight: 1lbs Specifications: Brand: Honeywell Model: HONEYWELL REDUNDANT NET INTERFACE DUAL PLC MODULE TC-CCR014 / TK-CRR014 Quality: Original Use: DCS Custom processing: Yes Application: Petrochemical and other...
Shenzhen Wisdomlong Technology CO.,LTD
|
