A811100 O Ring Hitachi Parts CX1000 CX1100 CX1800 CX2000 CX350DR CX500 CX500DR CX500PD CX550 CX700 CX700 JPN
|
...RING Hitachi parts CX1000, CX1100, CX1800, CX2000, CX350DR, CX500, CX500DR, CX500PD, CX550, CX700, CX700 JPN, Description: Product Description: We are pleased to offer you a high-quality O Ring seal kit specifically designed for C-A-T excavators. This seal kit is compatible with various models. Our O Ring......
GUANGZHOU SUNCAR SEALS CO.,LTD.
|
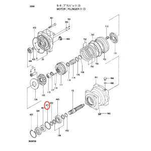
A810200 O-ring Fit HITACHI Spare Parts 218HSL AR2000 CX1000 CX1100 CX1800 CX2000 CX700HD
|
A810200 O-ring Fit HITACHI Spare Parts 218HSL AR2000 CX1000 CX1100 CX1800 CX2000 CX700HD Specification Product name O-ring Part number A810200 Model 218HSL AR2000 CX1000 CX1100 CX1800 CX2000 CX700HD CX900 CX900-2 CX900HD EX1100 EX1200-5C EX1200-6 EX1800 ......
Guangzhou Anto Machinery Parts Co.,Ltd.
|
JAPAN ISUZU ENGINE 6SD1T PISTON 3 RINGS, PISTON PIN, PISTON SET HITACHI PARTS EX300-3 1121117120
|
JAPAN ISUZU ENGINE 6SD1T PISTON 3 RINGS, PISTON PIN, PISTON SET HITACHI PARTS EX300-3 1121117120 PISTON 1-12111712-0 - Hitachi 1-12111712-0 PISTON Hitachi parts CX1000, CX1000-C, CX1800, CX2000, EX400-3C, EX400-5, EX450H-5, EX450MT-5, EX450MTH-5 Shipping ......
Guangzhou Jiuwu Power Machinery Equipment Co., Limited
|
Hitachi 966993 O Ring Excavator Machinery Parts Rubber Seal Kits Metric Bucket Linkage
|
...ring O-ring Used For Hitachi Construction Equipment Spare Parts Quick Detail Item Name Bucket Linkage O-Ring Equipment Model HITACHI ZAXIS EX excavator parts Application Excavator MOQ 1PC Brand Zhongxing Origin China Shipping Way By Sea, By Air, By Express Packing Standard Export Carton or as You as Required Application 218HSL 270C LC JD 344G 444G AR2000 CC135-3 CC135-3A CC135C-3 CC135C-3A CC150-3 CC150-3A CC150C-3 CC150C-3A CHR70 CX1000...
Guangzhou Zhongxing Seiko Machinery Engineering Co., Ltd
|
