| Sign In | Join Free | My insurersguide.com |
|
| Categories | Kerr Microscope |
|---|---|
| Brand Name: | Truth Instruments |
| Model Number: | KMPL-PM |
| Place of Origin: | CHINA |
| MOQ: | 1 |
| Price: | Price Negotiable | Contact us for a detailed quot |
| Company Info. |
| Truth Instruments Co., Ltd. |
| Verified Supplier |
| View Contact Details |
| Product List |
Designed for in-depth research on permanent magnet materials, this advanced precision testing instrument enables high-resolution precise measurement and detailed observation of longitudinal, transverse, and vertical magneto-optical Kerr effects under stringent testing conditions (strong magnetic fields, ambient temperature, high temperatures). To ensure sample stability during testing under strong magnetic forces, it features an air-floating displacement stage and specially designed sample fixation devices — making it ideal for studying magnetization/demagnetization processes of permanent magnet materials and advanced micromagnetic technologies.
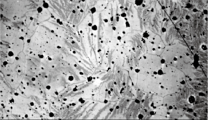
Samarium Cobalt Permanent Magnet Material

Test conditions: 100°C, 20× objective; demagnetized samples under
reverse 1.5 T magnetic field show dendritic magnetic domains.
Samarium Iron Permanent Magnet Material

Test conditions: 25°C, RH42%, 100× objective; under 1.3 T sinusoidal magnetic field, twin crystal magnetic domains appear.
Samarium Cobalt Permanent Magnet Material

Test conditions: 300°C, 50× objective; high-temperature demagnetization at 300°C.
Samarium Cobalt Permanent Magnet Material

Test conditions: 24°C, RH38%, 100× objective; remanent state shows "tiger skin pattern" magnetic domain transition zone.
|